Портал для камина Bravo Лондон Volakas мрамор белый прямой
Каминный портал Лондон в интерьере помещения смотрится очень гармонично, поэтому его хочется разместить в каждом доме. А для этого нужно правильно подойти к выбору материала для его изготовления.
Особенности каминов из камня
Камины из камня нельзя назвать антиквариатом. Они прекрасно переносят перепады температур, повышенную влажность и загрязнение. Поэтому, их установка в доме будет уместна в любом помещении – квартире, офисе, магазине или даже в частном доме.
Правила монтажа
Монтаж каминов позволяет значительно расширить границы дизайна. Для их установки можно использовать разнообразные материалы: чугунные и стеклянные элементы, натуральный камень и даже кованые изделия. Но важно помнить, что выбрать правильный вариант поможет профессиональный дизайнер. На нашем сайте есть отличное предложение и это Каминный портал Лондон.
Нужна ли художественная ковка? В последнее время пользуется большой популярностью. Такой камин не только выглядит стильно, но и также обладает большим функциональным отличием. Кованый камин отлично сохраняет тепло и с легкостью поддерживает горение дров длительное время. Для его сооружения используется достаточно сложная технология, поэтому цена подобных работ достаточно высока.
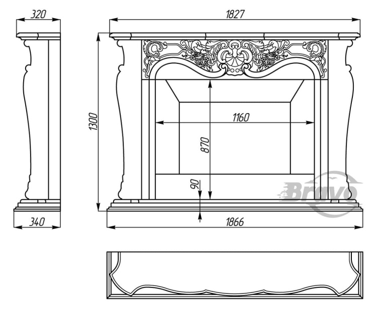
| Стиль: | Английский |
| Тип исполнения: | Прямой |
| Цвет: | Белый, Серый |
| Материал: | Мрамор |
| Ширина топки: | 1160 |
| Высота топки: | 870 |
| Ширина, мм: | 340 |
| Длина, мм: | 1865 |
| Высота, мм: | 1300 |
| Модель: | Лондон |
| Тип камня: | Volakas |
| Бренд: | Bravo |
| Страна производителя: | Украина |







