Портал для каміна Bravo Лондон Daino Reale мармур бежевий прямий
Камінний портал Лондон в інтер'єрі приміщення виглядає дуже гармонійно, тому його хочеться розмістити у кожному будинку. А для цього потрібно правильно підійти до вибору матеріалу для виготовлення.
Особливості камінів з каменю
Каміни з каменю не можна назвати антикваріатом. Вони чудово переносять перепади температур, підвищену вологість та забруднення. Тому їх встановлення в будинку буде доречним у будь-якому приміщенні – квартирі, офісі, магазині або навіть у приватному будинку.
Правила монтажу
Монтаж камінів дозволяє значно розширити межі дизайну. Для їх встановлення можна використовувати різноманітні матеріали: чавунні та скляні елементи, натуральний камінь та навіть ковані вироби. Але важливо пам'ятати, що вибрати правильний варіант допоможе професійний дизайнер. На нашому сайті є відмінна пропозиція і це Камінний портал Лондон.
Чи потрібне художнє кування? Останнім часом користується неабиякою популярністю. Такий камін не тільки виглядає стильно, але й також має велику функціональну відмінність. Кований камін відмінно зберігає тепло і легко підтримує горіння дров тривалий час. Для його спорудження використовується досить складна технологія, тому ціна таких робіт є досить високою.
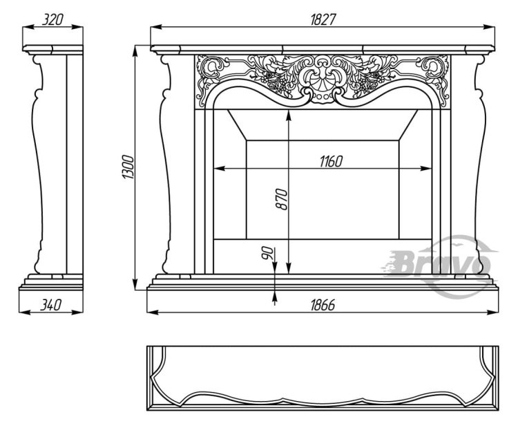
| Стиль: | Англійський |
| Тип виконання: | Прямий |
| Колір: | Бежевий |
| Матеріал: | Мармур |
| Ширина топки: | 1160 |
| Висота топки: | 870 |
| Ширина, мм: | 340 |
| Довжина, мм: | 1865 |
| Висота, мм: | 1300 |
| Модель: | Лондон |
| Тип каменю: | Daino Reale |
| Бренд: | Bravo |
| Країна виробника: | Україна |







